○尾三消防本部消防業務規程

平成5年3月30日

規程第6号

目次

第1章 総則(第1条~第3条)

第2章 火災出動等(第4条~第6条)

第3章 災害現場活動(第7条~第19条)

第4章 警防訓練(第20条・第21条)

第5章 安全管理(第22条・第23条)

第6章 事前対策(第24条~第26条)

第7章 雑則(第27条・第28条)

附則

第1章 総則

(趣旨)

第1条 この規程は、消防法(昭和23年法律第186号)第5章及び第6章の規定に基づく消防業務の実施に関して必要な事項を定めるものとする。

(定義)

第2条 この規程における用語の意義は、次の各号に定めるところによる。

(1) 消防部隊 消防隊、救急隊、救助隊、指揮・調査隊、指揮支援隊をいう。

(2) 警防活動 火災その他の災害(以下「災害」という。)による被害を最小限度にとどめるために行う現場指揮者及び消防部隊の活動をいう。

(3) 非常災害 天候事変による風水害等又は地震により、被害が発生し又は発生するおそれのあるものをいう。

(4) 隊長等 消防隊長(以下「隊長」という。)、機関員及び所要の消防隊員をいう。

(消防隊の編成)

第3条 1の消防隊は、隊長1人、機関員1人、所要の隊員及び消防車1台をもって編成する。

第2章 火災出動等

(出動区分)

第4条 火災出動区分は、次に掲げる尾三消防本部警防規程(平成5年尾三消防本部規程第5号。以下「警防規程」という。)第5章に定める区分とする。

(1) 火災出動

 第1次出動

 第2次出動

 第3次出動

(2) 東名高速道路等における火災出動

(3) 特別要請出動

(4) 警戒出動

(火災出動)

第5条 火災出動の判断基準は、原則として次のとおりとする。

(1) 第1次出動

火災の覚知と同時に所定の消防隊が出動する。

(2) 第2次出動

 火災警報発令中に発生した建物火災、中高層建物火災、危険物施設火災又は林野火災

 大規模危険物製造所等の火災

 多数の人命救助等を要する火災

 その他第1次出動で対応が困難で現場指揮者が必要と認めた火災

(3) 第3次出動

第2次出動で対応が困難な火災

2 連続災害発生時の措置として、第2火災等災害又は第3火災等災害の出動は、警防規程別表第1で定める第2次出動及び第3次出動の区分を、それぞれ準用するものとする。

(警戒出動の判断基準)

第6条 警戒出動の判断基準は、原則として次のとおり定めるものとする。

(1) 都市ガス、液化石油ガス等が漏洩し、爆発、火災危険がある場合

(2) 危険物等が漏洩し、爆発、火災危険がある場合

(3) 劇毒物質等により被害が予測される場合

(4) その他災害の発生危険のある場合

第3章 災害現場活動

(現場活動の原則)

第7条 隊長等は、現場指揮者の指揮命令に従い、任務分担を守り、相互協力に努めるとともに、消防機械器具等の性能を効率的に活用し、迅速かつ適正な活動を実施しなければならない。

(隊長等の責務)

第8条 隊長等は、警防活動の万全を期するために、常に自己研さんに努め、知識及び技術の高揚を図るとともに、警防活動に当たっては、次の事項に留意しなければならない。

(1) 隊長

 火災現場到着までに作戦を練り、適切な使用水利、部署位置等を指示すること。

 人命救助を第一とし、財産保護に努めること。

 防ぎょ活動中は、終始その防ぎょ活動に万全を期するとともに、機関員及び隊員(以下「隊員等」という。)を指揮監督すること。

 常に相互の連絡を保ち、現場指揮者等への報告を適切に行うこと。

 防ぎょ活動中は、絶えず隊員等を把握するとともに、消防車の状況にも注意して、故障の防止に努めること。

 隊員等に、必要以上の財産損害を生じさせないよう必要な指示を行うこと。

 隊員等に、出火場所付近の現場保存に努めるよう必要な指示を行うこと。

 火災現場にいる他の隊と連携を保ち、隊員等に必要な指示を行うこと。

(2) 機関員

 消防車は、隊長の指示に基づき消火活動に最も適した位置に部署すること。

 水利部署に当たっては、隊長の指示に基づき吸水及び送水等に最も適した位置に部署すること。

 水利部署に当たっては、同一水利使用による共倒れに注意すること。

 機関の運転中は、絶えずその音調及び計器に注意し、機関の故障の防止に努めること。

 常に無線等連絡事項に注意し、状況の把握に努めること。

 火災の状況、ホース延長数等放水体制に適したポンプ運用を行うこと。

(3) 隊員

 放水

(ア) 放水中は、常に余裕ホースを確保すること。

(イ) 火災に応じ、有効適切な注水をし、消火損害を最小限度に止めるよう努めること。

(ウ) 危険物火災、電気火災等の消火に当たっては、無謀な注水をしないこと。

 ホース延長

(ア) 火災現場と消防車との距離、状況等を考慮し、迅速かつ適切にホースを延長すること。

(イ) ホースの結合を完全に行い、屈折、ねん転等を正し、漏水防止に配慮しなければならない。

(ウ) ホース延長に当たっては、事故防止に留意するとともに、他から受ける損傷にも配意して行わなければならない。

 消防資機材搬送等

はしご、とび口等を搬送若しくは活用する場合は、事故防止に留意するとともに、その性能等を把握し、効果的に活用しなければならない。

(先着隊の活動)

第9条 先着隊の災害現場における活動は、次に掲げる事項に留意しなければならない。

(1) 人命救助、避難誘導の優先実施

(2) 災害状況の早期把握と災害活動防止及び速報の実施

(3) 必要消防力の判断及び増強すべき消防隊等の要請判断

(4) 後着隊及び消防団等関係機関との連携確保の実施

(後着隊の活動)

第10条 後着隊の災害現場における活動は、次に掲げる事項に留意しなければならない。

(1) 災害の推移状況の判断に基づく部署の決定

(2) 消防隊相互間の連携確保の実施

(3) 水利統制及び警戒区域等の設定

(4) 水損防止等の配慮と実施

(5) その他先着隊の支援

(災害現場広報活動)

第11条 災害現場における広報活動は、現場指揮者が担当し、災害内容及び消防活動状況について情報の統一を期さなければならない。

2 現場指揮者を補助する職員は、各指揮体制において、災害現場における広報活動が効果的に行えるよう情報収集、提供等に努めなければならない。

(災害現場付近の居住者等に対する処置)

第12条 隊長等は、災害現場付近で危険と認められる者がいるときは、早急に退避させなければならない。

(活動妨害に対する処置)

第13条 隊長等は、災害現場付近で活動の妨害若しくは阻害のおそれある者を退去させなければならない。

2 前項に規定するほか隊長等は、必要に応じ警察官と密接な関係を保つものとする。

(再燃防止)

第14条 現場指揮者は、別に定める尾三消防本部再燃防止要綱(平成5年尾三消防本部要綱第3号)に基づき、再出火の防止に努めなければならない。

(引き揚げ)

第15条 消防隊は、次の各号の1に該当する場合は、災害現場から引き揚げるものとする。

(1) 現場指揮者より引揚命令を受けたとき

(2) 出動途上において、先着隊の現場指揮者が必要としないと判断したとき

(3) その他消防長の命令(指令課の引揚指令を含む。)によるとき

(活動報告)

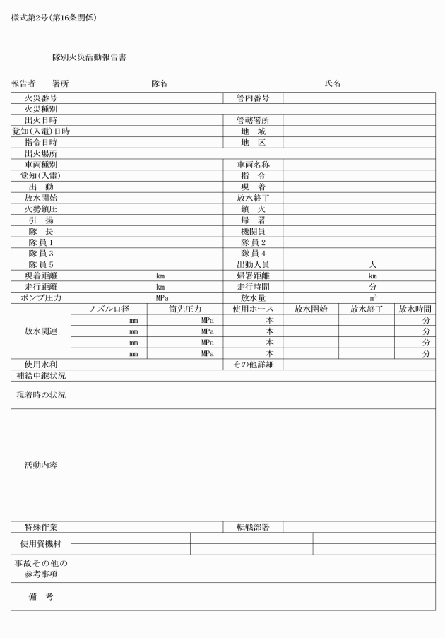
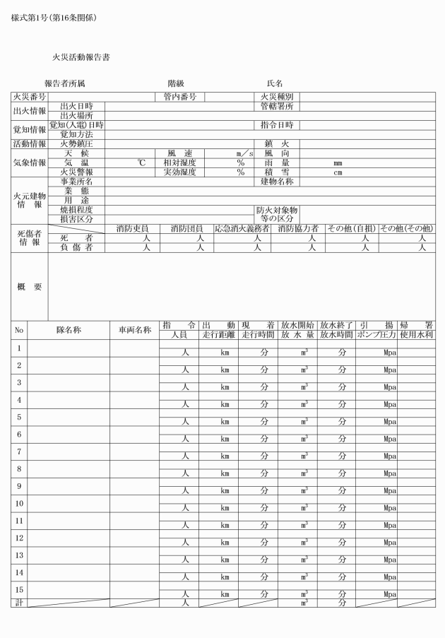
第16条 災害に出動した消防隊の隊長で所属長に指定された者(以下この条において「報告者」という。)は、警防活動の内容に応じて次の各号に定める報告書に記録し、速やかに消防長に報告しなければならない。

(1) 火災出動

 火災活動報告書(様式第1号)

 隊別火災活動報告書(様式第2号)

(2) 火災以外の出動

 警戒出動報告書(様式第3号)

 隊別警戒出動報告書(様式第4号)

2 報告者は、前項に定める報告書のほか、必要に応じて資料、図面等を添付しなければならない。

3 報告者から要請のあった他の消防隊の隊長は、速やかに自隊の活動状況を記録し、報告者に提出しなければならない。

(火災等即報)

第17条 管轄消防署長は、火災・災害等即報要領について(昭和59年消防災第267号消防庁長官通知)の火災等即報のうち一般基準及び個別基準に該当する火災等が発生した場合は、速やかに消防長に報告しなければならない。

(消防統計)

第18条 特別消防隊長及び消防署長(以下「特別消防隊長等」という。)は、毎年1月1日から12月31日の警防活動実績を取りまとめ、翌年の1月末日までに、消防長に報告しなければならない。ただし、随時に警防活動実績に関する統計が必要な場合は、その都度報告しなければならない。

(警防活動検討会の実施)

第19条 特別消防隊長等は、将来における警防活動の資料とするため、特異な災害における警防活動又は必要と認めた警防活動について、警防活動を行った隊長等及びその他関係職員を対象に、早期に警防活動検討会を実施するものとする。

第4章 警防訓練

(1) 大規模訓練

(2) 通常訓練

2 訓練の主眼は、次のとおりとする。

(1) 消防訓練は、各種災害防ぎょ技術の向上を図るために実施する。

(2) 救助訓練は、人命救助技術及び救助資機材の使用技術の向上を図るために実施する。

3 訓練の方法は、次のとおりとする。

(1) 基本訓練 各資機材等の個別訓練

(2) 図上訓練 消防対象物を中心とする図上消防訓練

(3) 現場訓練 訓練内容に応じ実地で行う訓練

(4) 総合訓練 第1次出動体制を基本に行う訓練

(訓練の報告)

第21条 訓練を実施したときは、その都度、訓練要綱第17条第1項の規定に基づき、訓練結果報告書を作成し、報告しなければならない。

第5章 安全管理

(安全管理)

第22条 尾三消防組合における安全管理については、別に定める。

(事故防止)

第23条 隊長等は前条に基づき、警防活動及び訓練に当たっては、常に周囲の状況変化等に注意して、事故防止に努めなければならない。

2 隊長等は、事故が発生した場合には、直ちに必要な措置を講ずるとともに、上司に報告しなければならない。

第6章 事前対策

(立入検査)

第24条 消防長は、火災を予防するため、消防対象物に対する立入検査を実施するものとする。

2 立入検査については、尾三消防本部査察規程(平成17年規程第8号)の定めるところによる。

(警防調査)

第25条 特別消防隊長等は、管内の中高層建物及び特殊な施設で災害が発生した場合に、消火活動上困難が予想され、消防隊が精通しておくことが必要な対象物又は消防活動上の参考となる対象物について、調査を実施させるものとする。

(消防地理水利調査)

第26条 特別消防隊長等は、警防活動の万全を期するため、消防に必要な地理及び水利に関する調査(以下「消防地水利調査」という。)の年間計画を立て、これを実施するものとする。

2 消防地水利調査については、尾三消防本部消防地理水利調査規程(平成25年規程第4号)の定めるところによる。

第7章 雑則

(消防団との協力)

第27条 現場指揮者は、警防活動を効果的に実施するために、平素から消防団との協力体制を確立し、災害現場においては、消防団の指揮者と密接な連携をとり、消防力を最高に発揮しなければならない。

(その他必要な事項)

第28条 この規程に定めるもののほか必要な事項は、消防長が別に定める。

(施行期日等)

1 この規程は、平成5年4月1日から施行する。

2 尾三消防組合消防署火災出動規程(昭和48年尾三消防本部規程第5号)は、廃止する。

(平成6年規程第2号)

この規程は、平成6年2月14日から施行する。

(平成6年規程第9号)

この規程は、平成6年4月1日から施行する。

(平成7年規程第1号)

この規程は、平成7年3月1日から施行する。

(平成9年規程第1号)

(施行期日)

1 この規程は、平成9年4月1日から施行する。

(平成15年規程第11号)

この規程は、平成15年4月1日から施行する。

(平成18年規程第12号)

この規程は、平成19年1月1日から施行する。

(平成21年規程第9号)

この規程は、平成22年1月4日から施行する。

(平成24年規程第6号)

この規程は、平成24年10月1日から施行する。

(平成24年規程第8号)

この規程は、平成25年1月1日から施行する。

(令和3年規程第1号)

(施行期日)

第1条 この規程は、令和3年4月1日から施行する。

(経過措置)

第2条 この規程の施行の際、現にあるこの規程による改正前の様式(次項において「旧様式」という。)により使用されている書類は、この規程による改正後の様式によるものとみなす。

2 この規程の施行の際、現にある旧様式による用紙については、当分の間、これを取り繕って使用することができる。

(令和5年規程第2号)

この規程は、令和5年4月1日から施行する。

画像

画像

画像

画像

尾三消防本部消防業務規程

平成5年3月30日 規程第6号

(令和5年4月1日施行)

体系情報
例規集/第7編 務/第1章
沿革情報
平成5年3月30日 規程第6号
平成6年2月14日 規程第2号
平成6年3月31日 規程第9号
平成7年1月31日 規程第1号
平成9年3月31日 規程第1号
平成15年3月27日 規程第11号
平成18年12月18日 規程第12号
平成21年12月28日 規程第9号
平成24年9月6日 規程第6号
平成24年11月28日 規程第8号
令和3年3月30日 規程第1号
令和5年3月9日 規程第2号